| Sign In | Join Free | My gastesters.com |
|
Brand Name : NBSANMINSE
Model Number : 6281
Certification : ISO9001
Place of Origin : CHINA
MOQ : 10PCS
Price : Negotiation
Payment Terms : L/C,T/T
Supply Ability : 10000PCS
Delivery Time : 5-30days
Packaging Details : Box
Orifice : DN 10... DN 50
Operating voltage : 24 V/DC, 24 V/UC, 24 V/50…60 Hz, 230 V/UC, 230 V/50…60 Hz
Ambient temperature : Max. +55°C
Media : Gas,Water,Air,oil,steam
Standard or nonstandard : Standard
Working pressure : 0.15-0.8Mpa,0-7kgf/cm3,0.15~0.8 MPa
Voltage : DC12V DC24V AC24V AC110V AC220V AC380V,AC,±10%,DC
| Can be combined with | Type description | |
![]() | Type 2518 Cable plug, form A according to DIN EN 175301-803 | The 6281 valve is a servo-assisted solenoid valve of the S.EV series. A minimum differential pressure is always required for the function of the valve. Various dia phragm material combinations and methods of operation are available depending on the application. The standard brass housing satisfies all European drinking water requirements. Dezincification-resistant brass is available for other markets. The housing offering is rounded out by a stainless steel version. To reduce power consumption in operation, coils with "Kick and Drop" (KD) electronics assembly (double coil technology) are available. The valve can be equipped with manual override for easy maintenance and commissioning. NEMA 4X is available on request. |
![]() | Type 2509 Cable plug, form A according to DIN EN 175301-803 | |
| 1.General technical data | |
| Product properties | |
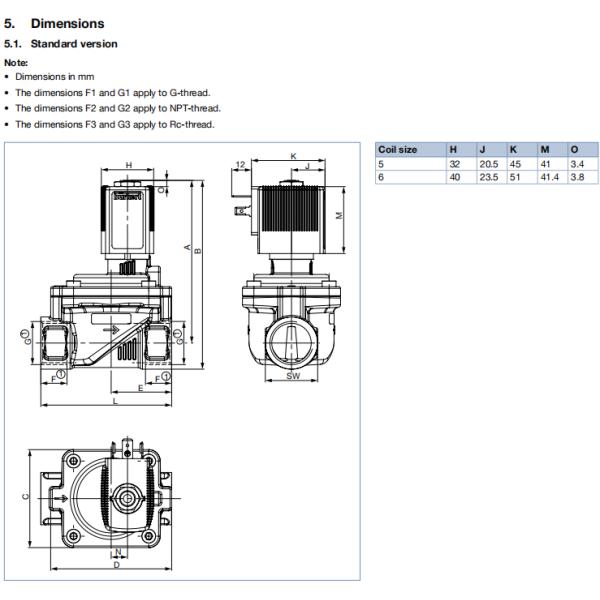
| Dimensions | Further infomation can be found in chapter "5.Dimensions"on page 7. |
| Material | |
| Seal | NBREPDM,FKM |
| Body | Brass acc.to DIN EN 50930-6,stainless steel (dezincification resistant on request) |
| Inner valve parts | Stainless stee,Brass,Plastic(PPS) |
| Orifice | DN 10...DN 50 |
| Circuit function | Further infomation can be found in chapter “2.Circuit functions”on page 4. |
| Themal insulation class of solenoid coil | Polyamide coil class B Epoxy coil class H |
| Performance data | |
| Duty cycle | 100%continuous operation |
| Switching time⁴ | Opening:0.1.….1.5 s Closing:0.2...4s |
| Electrical data | |
| Operating woltage | 24V/DC,24VUC,24V/50...60 Hz,230 VUC,230V/50...60Hz |
| Power consumption | Further infomation can be found in chapter "6.Performance specifications"on page 12. |
| Voltage tolerance | ±10% |
| Medium data | |
| Operating medium | |
| NBR | Neutral fluids (e.g.compressed air,water) |
| EPDM | Oiland fat-free fluids,hot water,aceton,aqueous alkali solution |
| FKM | Hot air,per-solution |
| Medium temperature | |
| NBR | -10.…+80℃ |
| EPDM | -30*...90℃(with epoxy coil to+100℃) |
| FKM | 0℃…90℃with epoxy coil to+120℃) |
| Process/Port connection &communication | |
| Bectrical connection | ·Cable plug Type 2518▶,fomA acoording to DIN EN 175301-803 Further infomation can be found in chapter"“Cable plug Type 2518,form Aaccording to DIN EN 175301-803"on page 20. |
| ·Cable plug Type 2509▶,fomA acoording to DIN EN 175301-803 | |
| Further infomation can be found in chapter"“Cable plug Type 2509,form Aaccording to DIN EN 175301-803"on page 20. | |
| Approvals and conformities | |
| Directives CE,EAC | |
| Degree of protection | IP65 with cable plug,cable connection and terminal box |
| Explosionprotection | Further infomation can be found in chapter"3.4.Explosion protection"on page 4. |
| North America(USA/Canada) | Further infomation can be found in chapter"3.5.North America (USA/Canada)"on page 5. |
| Drinking water | Further infomation can be found in chapter "3.6.Drinking water"on page 5. |
| Environment and installation | |
| Installation | As required,preferably with actuator upright |
| Ambient temperature | Max.+55℃ |
| 1.) Measurement at +20 °C, 6 bar at the valve outlet, opening: pressure build-up 0…90%, closing: pressure reduction 100…10% | |




























|
|
Servo-assisted 2/2-way Brass Solenoid Valve with DN 10... DN 50 Orifice and 24 V/DC Operating Voltage Images |